J-TM型液壓平衡隔膜計量泵
產品描述:性能特點(1)流量大至7000L/h,壓力可高達64Mpa;(2)泵頭可選不銹鋼,亦可實行內襯(F4,F46,F3)

產品描述:性能特點(1)流量大至7000L/h,壓力可高達64Mpa;(2)泵頭可選不銹鋼,亦可實行內襯(F4,F46,F3)
性能特點
(1)流量大至7000L/h,壓力可高達64Mpa;
(2)泵頭可選不銹鋼,亦可實行內襯(F4,F46,F3)
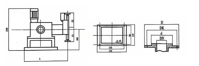
技術參數
型號規格 | 流量 (L/h) | 壓力 (Mpa) | 安裝尺寸(mm) | ||||||
DN | D | K | d | H1 | H2 | L | |||
J-TM-23/64 | 23 | 64 | 11 | 95 | 65 | 46 | 303 | 383 | |
J-TM-33/64 | 33 | 64 | |||||||
J-TM-40/50 | 40 | 50 | |||||||
J-TM-60/50 | 60 | 50 | |||||||
J-TM-67/40 | 67 | 40 | |||||||
J-TM-100/32 | 100 | 32 | |||||||
J-TM-110/32 | 110 | 32 | 16 | 105 | 75 | 60 | 214 | 254 | |
J-TM-160/25 | 160 | 25 | |||||||
J-TM-180/25 | 180 | 25 | |||||||
J-TM-270/20 | 270 | 20 | |||||||
J-TM-290/20 | 290 | 20 | 20 | 105 | 75 | 60 | 214 | 254 | |
J-TM-430/16 | 430 | 16 | |||||||
J-TM-450/16 | 450 | 16 | |||||||
J-TM-680/10 | 680 | 10 | |||||||
J-TM-800/10 | 800 | 10 | 25 | 115 | 85 | 65 | 290 | 320 | |
J-TM-1200/8 | 1200 | 8 | |||||||
J-TM-1080/6.4 | 1080 | 6.4 | |||||||
J-TM-1600/6.4 | 1600 | 6.4 | |||||||
J-TM-1460/4.0 | 1460 | 4.0 | 35 | 135 | 96.5 | 75 | 290 | 320 | |
J-TM-2200/2.5 | 2200 | 2.5 | |||||||
J-TM-1850/1.6 | 1850 | 1.6 | |||||||
J-TM-2750/1.0 | 2750 | 1.0 | 40 | 150 | 110 | 84 | 235 | 265 | |
J-TM-2250/0.8 | 2250 | 0.8 | |||||||
J-TM-3300/0.8 | 3300 | 0.8 | 50 | 160 | 125 | 108 | 245 | 275 | |
J-TM-5000/0.5 | 5000 | 0.5 | 80 | 195 | 160 | 135 | 730 | 670 | |
J-TM-7000/0.5 | 7000 | 0.5 | |||||||
電機功率:4KW-7.5KW 轉速:1400r/min
安裝尺寸(mm)
